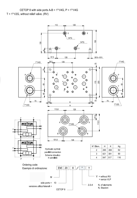
Hydraulic Manifold Block Moiunting Plate EM208 ,The valves represented in the f
Hydraulic Manifold Block Moiunting Plate EM208 ,The valves represented in the following chapterThe products are made of cast iron GG25 orThe valves are supplied with manganeseValve coupling flat surface finish Ra 0.8All the valves have been checked in relation to12-months warranty from date of goodshave fixing holes in compliance with DIN 24340GGG40,according to UNI EN 16482phosphate coat according to UNI ISO 9717microns.directive 97/23(PED),and are not subject to CEshipment.standards,with sizes NG6.standard.standard,complete with O-rings made of nitrilic-marking(article 3,paragraph 3).NBR-70 Shore mix.
The Hydraulic Manifold Block Moiunting Plate as the core component in hydraulic systems for controlling pressure, flow rate, and direction in oil circuits. It is primarily used in electro-hydraulic servo control systems (including subsystem applications of TRT devices, one of the eight major systems) and air suspension supply systems.
Its products include components such as hydraulic control units and power oil stations. The hydraulic control unit integrates electro-hydraulic servo valves with solenoid valve assemblies, while the power oil station consists of a variable oil pump, oil filter, and cooler.
The modular design of cartridge-type relief valves enhances system compactness and reliability.


+86 130 4503 5930
sales02@hydraulicadaptor.com
No. 7-3a, Youhe Industrial Park, Huanghe 1st Road, Jimo District, Qingdao City, Shandong Province , China
Copyright © 2025 XCDMachinery All rights reserved
powered by WDL